| Sign In | Join Free | My benadorassociates.com |
|
Brand Name : INA / FSK / OEM
Model Number : ZARN3570TN
Certification : ISO9001-2000 / SGS / BV / CE / IAF
Place of Origin : CHINA
MOQ : 1 pcs-5pcs
Price : 0.1-200USD
Payment Terms : 30% Deposit , Balance After BL Copy
Supply Ability : 100000pcs/month
Delivery Time : 3-7Days After Deposit
Packaging Details : 1)COLOURED SINGLE BOX PACKING + CARTON BOX PACKING + PALLETS , 2) PLASTIC TUBE PACKING / KRAFT PACKING
Model No. : ZARN3570TN
Size : 35mm × 70mm × 54mm
Weight : 0.8kg
Row : Multiple Row
Cage : Brass Cage / Nylon Cage
Structure : ZARN2557TN / ZARN2557TV
P4 High Precision ZARN3570TN / ZARN3570TV Combined Needle Roller Bearings
Needle Roller Bearing Production Description
Our company specializing in the production of needle roller bearing NA49, NA59, NA69, NA49.2 RS, NA69.2 RS, RNA49, RNA69, RNA49.2 RS, RNA69.2 RS, NK, NKI, NKS, NKIS, NAV, RNAO, NAO series, roller bearing NUTR, NATR, NATR. PP, NAST continued/STO, NA22.2 RS, RNA22.2 RS, NATV, NATV. PP, KR, KR. PP, KRE, KRE. PP and KRV and KRV. PP, KRVE. PP, NUKR, NUKRE series, combination bearings NKX, NKX. Z, NKXR, NKXR. Z, NKIA59, NKIB59, NX, NX. Z, ZARN. TN, ZARN. LTN, ZARF, ZARF. LTN series, inch bearing BR, BRI, CRY. V, CRY. VUU, CF, CFE, CFHE, CFH series, plane thrust bearing K811. TN, K812. TN series, customized non-standard bearings, sufficient stock
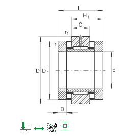
ZARN3570TN Bearing Drawing:
![]() | d | 35 mm | m | 0,8 kg | |||
| D | 70 mm | Ca | 56000 N | ||||
| H | 54 mm | C0a | 148000 N | ||||
| Cr | 26000 N | ||||||
| B | 11 mm | C0r | 47000 N | ||||
| C | 20 mm | nG Öl | 4800 1/min | ||||
| D1 | 60 mm | nG Fett | 1700 1/min | ||||
| Da max | 61 mm | MRL | 0,9 Nm | ||||
| caL | 2600 N/µm | ||||||
| da min | 50 mm | ckL | 740 Nm/mrad | ||||
| Mm | 2,8 kg x cm^2 | ||||||
| H1 | 37 mm | 1 µm | |||||
| r1 min | 0,6 mm | ZMA35/58, AM35/58 | |||||
| rmin | 0,3 mm | MA | 42 Nm | ||||
ZARN3570TN Bearing Specification :
| Model Number | ZARN3570TN |
| Part Name | Combined Thrust Cylindrical Roller Bearing |
| Row | Multiple Row |
| Dimensions(mm)(d*D*b) | 35mm × 70mm × 54mm |
| Weight / Mass ( KG ) | 0.8kg |
| Precision Rating | ABEC-3 / ABEC-5 |
| Brand | INA / FSK / OEM |
| Original Country Show | GERMANY ( INA ) |
| HS Code | 8482400000 |
Bearings Detailed Pictures :


Other Tapered Roller Bearings
| Bearing No. | Dimensions | |||
| d | D | H | ||
| mm | ||||
| ZARN1545TN | ZARN1545LTN | 15 | 45 | 40 |
| ZARN1747TN | ZARN1547LTN | 17 | 47 | 43 |
| ZARN2052TN | ZARN2052LTN | 20 | 52 | 46 |
| ZARN2062TN | ZARN2062LTN | 20 | 62 | 60 |
| ZARN2557TN | ZARN2557LTN | 25 | 57 | 50 |
| ZARN2572TN | ZARN2572LTN | 25 | 72 | 60 |
| ZARN3062TN | ZARN3062LTN | 30 | 62 | 50 |
| ZARN3080TN | ZARN3080LTN | 30 | 80 | 66 |
| ZARN3570TN | ZARN3570LTN | 35 | 70 | 54 |
| ZARN3585TN | ZARN3585LTN | 35 | 85 | 66 |
| ZARN4075TN | ZARN4075LTN | 40 | 75 | 54 |
| ZARN4090TN | ZARN4090LTN | 40 | 90 | 75 |
| ZARN4580TN | ZARN4580LTN | 45 | 80 | 60 |
| ZARN45105TN | ZARN45105LTN | 45 | 105 | 82 |
| ZARN5090TN | ZARN5090LTN | 50 | 90 | 60 |
| ZARN50110TN | ZARN50110LTN | 50 | 110 | 82 |
| ZARN55115TN | ZARN55115LTN | 55 | 115 | 82 |
| ZARN60120TN | ZARN60120LTN | 60 | 120 | 82 |
What Bearings We Can Offer
| FAG INA TIMKEN NSK KOYO NACHI NTN ASAHI FYH | Tapered Roller Bearing | 30200.30300.32200.32300.32000.33000... |
| Inched tapered roller bearings | ||
| Deep Groove Ball Bearing | 6000.6200.6300.6400.6800 etc | |
| Miniature Ball Bearing | ||
| Truck Wheel Bearing | 800792 A VKBA 5412 566425.H195 BTH 0022 etc | |
| Automobile Wheel Bearing | VKBA1343 DAC34620037 BA2B633313CA etc | |
| Air Conditioner Bearing | 30BD219 30BD40 30BD5222etc | |
| Clutch Release Bearing | 68TKA3506AR TK701A1 78TK14001AR 54TKA3501 etc | |
| Spherical Roller Bearing | 22200 22300 23000 CC CCK CA CAK E EK etc | |
| Cylindrical Roller Bearing | N NJ NU etc , good at LINK BELT cylindrical roller bearings | |
| Pillow Block Bearing with Housing | UCP UCF UCT UCFL UCFC etc | |
| Needle Roller Bearing | Full types of needle roller bearings | |
| Printing Machine Bearings | F series with needle roller and cylindrical roller structure |
P4 High Precision ZARN3570TN / ZARN3570TV Combined Needle Roller Bearings , Get Cheap Price from China Bearing Factory Now !
Contact With Us Freely :
Wuxi FSK Transmission Bearing Co., Ltd
Address: No. 900 North Jie Fang Road
Chongan District Wuxi Jiangsu China
Contact : Kayee Fan
Whatsup/Viber: 008613771025202
|
|
P4 High Precision ZARN3570TN / ZARN3570TV Combined Needle Roller Bearings Images |